απλό κωνικό γρανάζι τύπου Β αλυσίδα προδιαγραφών ISO

Αυτός ο σχεδιασμός χρησιμοποιεί έναν κωνικό κόμβο και αντίστοιχο κωνικό άνοιγμα, το οποίο επιτρέπει στον οδοντωτό τροχό να στερεωθεί με ασφάλεια στον άξονα χρησιμοποιώντας κωνικούς δακτυλίους ασφάλισης χωρίς να δημιουργείται κενό.
Μοντέλο: οδοντωτός τροχός τύπου B 20B-1 με κωνικό κλείδωμα
Υλικό: C45, ανοξείδωτο ατσάλι, σκληρυμένο ατσάλι κ.λπ.
Επεξεργασία επιφάνειας: Σκληρυμένα δόντια, μαύρο οξείδιο, επιψευδαργυρωμένο, ηλεκτροφόρηση κ.λπ.

Περιγραφή

20B-1 Κωνικός δακτύλιος ασφάλισης γραναζιούέχει σχεδιαστεί για υψηλή απόδοση και ανθεκτικότητα σε συστήματα μετάδοσης ισχύος. Ο κωνικός δακτύλιος ασφάλισης παρέχει μηχανική εφαρμογή με παρεμβολή μεταξύ του πλήμνου του γραναζιού και του άξονα, με αποτέλεσμα μια ισχυρή και αξιόπιστη σύνδεση.

Βασικά χαρακτηριστικά

  • Μηχανική εφαρμογή με παρεμβολή:Εξασφαλίζει ασφαλή σύνδεση για ομαλή και αποδοτική μετάδοση ισχύος.
  • Αποτελεσματική λειτουργία:Μειώνει την απώλεια ενέργειας και βελτιώνει τη συνολική απόδοση του συστήματος.
  • Εκτεταμένη διάρκεια ζωής:Η ανθεκτική κατασκευή ελαχιστοποιεί τις ανάγκες συντήρησης και αντικατάστασης, μειώνοντας τον χρόνο διακοπής λειτουργίας και το κόστος.
  • Ακριβές σχήμα δοντιών:Εγγυάται βέλτιστη εμπλοκή της αλυσίδας, μειώνοντας την τριβή και τον θόρυβο για ομαλότερη λειτουργία.
  • Υλικά υψηλής ποιότητας:
    • Χάλυβας C45:Ισορροπία μεταξύ αντοχής και οικονομίας.
    • Ανοξείδωτος χάλυβας:Παρέχει εξαιρετική αντοχή στη διάβρωση για σκληρές συνθήκες.
    • Σκληρυμένος χάλυβας:Θερμικά επεξεργασμένος για αυξημένη αντοχή στη φθορά και μεγάλη διάρκεια ζωής.

Τεχνικές προδιαγραφές

  • Αριθμός ISO:20B-1 (1 1/4″ x 3/4″)
  • Βήμα:31,75 mm
  • Εσωτερικό πλάτος:19,56 mm
  • Διάμετρος κυλίνδρου:19,05 mm
  • Πλάτος δοντιού:18,5 mm
  • Ba:3,5 mm (πλάτος ακτίνας)
  • Rx:32 mm (ελάχιστη ακτίνα δοντιού)

Πλεονεκτήματα

  • Ισχυρή, αξιόπιστη σύνδεση για συστήματα υψηλής απόδοσης
  • Μειωμένη τριβή, θόρυβος και κόστος συντήρησης
  • Ευέλικτες επιλογές υλικών για διάφορα περιβάλλοντα
  • Παρατείνει τη διάρκεια ζωής των γραναζιών και των αλυσίδων

Επιλέξτε τον οδοντωτό τροχό 20B-1 με κωνικό δακτύλιο ασφάλισης για εξαιρετική αντοχή, αποδοτικότητα και αξιοπιστία στις εφαρμογές μετάδοσης ισχύος.

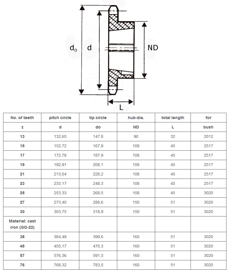
Τεχνικές παράμετροι

simplex κωνικός τροχός 20B-1 τεχνικός πίνακας

simplex κωνικός τροχός ασφάλισης 20B-1 τεχνικός πίνακας